> 手动转阀系列
> 不锈钢手拉阀.电磁阀.机控阀系列
> AB、GAB、AG、GAG电磁阀系列
> K22、23、25W截止式电磁阀系列
> 执行元件、各类气缸系列
> 不锈钢执行器系列
> 液压缸系列
> 液压泵站系列
> 气源处理
 
    联系人:江小平  13601510553
          电话:0510-83768052
    传真:0510-83768971
    E-mail:sales@wxxingke.com
          Http://www.wxxingke.com
         地址:无锡市长安前姑里
 
 
K23JSD系列压力机用安全双联阀
K23JSD系列压力机用安全双联阀
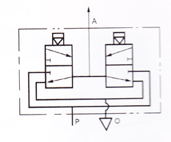
图形符号
型号注释
特点
压力机安全双联阀是控制压力机制动器、离合器正常工作的一种专用气动元件。
当阀本身出现任何帮障时,它能使制动器、离合器的压力降低到气动压力之下,如果压力机是处在连转状态、制动器、离合器能立即排气,从而使压力机迅速停车,若压力机处于静止状态,则制动器、离合器不能启动。以确保设备及人身安全。
外形尺寸安装图
 

技术参数
 

上一页:JB系列气缸
下一页:WAG33/43 直通式3通阀:常闭型
    
Website 2011 (c) 无锡星科气动液压件制造有限公司 All Rights Reserved.
地址:无锡市长安前姑里  联系人:江小平 13601510553 电话:0510-83768052 传真:0510-83768971
Http://www.wxxingke.com E-mail:sales@wxxingke.com 邮编:214177
   苏ICP备:00000000